很多朋友以为 Redis 是单线程程序,事实上它是 多进程 + 多线程 混合并发模型,这样能利用多核优势,提高性能。
- 子进程持久化:重写 aof 文件 / 保存 rdb 文件。
- 多线程:主线程 + 后台线程 + 新增网络 IO 线程(Redis 6.0)。
1. 概述
Redis 的核心业务逻辑由主线程执行,而多线程与子进程的引入旨在提升主线程的执行效率,确保其能够专注于关键路径上的高吞吐与低延迟处理。
具体而言:
- 对于可能引发频繁系统调度或执行耗时较长的操作——如持久化写入文件、释放大对象内存等——Redis 将其委托给子进程或后台线程进行异步或惰性处理,避免主线程阻塞。
- 在高负载场景中,网络 I/O 涉及大量系统调用及用户态与内核态之间的数据拷贝,会显著占用主线程的执行资源。为此,Redis 6.0 引入了专属网络 I/O 线程,将网络数据收发任务合理分配给专门的网络 I/O 线程处理,减轻主线程负担。
- 尽管 Redis 自身未内置内存池,但支持替换默认的 libc 内存分配器,选用 jemalloc 或 tcmalloc 等第三方分配器以提升内存分配效率、减少碎片与锁竞争。这些分配器在内部可能采用多线程机制,进一步引入了线程层级的并发。
总体来说,Redis 通过将容易引起阻塞或执行延迟较高的 “重型操作” 剥离至子进程或辅助线程,使主线程在抢占式任务调度系统中能够更充分地利用时间片,专注于核心数据处理任务。
本文使用的 Redis 版本:6.0.20。
2. 并发模型
Redis 使用了 多进程 + 多线程混合并发模型。
- 子进程持久化:重写 aof 文件 / 保存 rdb 文件。
- 多线程:主线程 + 后台线程 + 新增网络 IO 线程。

3. 多进程
子进程持久化:重写 aof 文件 / 保存 rdb 文件。
为了性能和安全,一般情况下,Redis 同一时刻只允许创建一个子进程在工作。
- bgsave 命令,保存 rdb 文件。
1
2
3
4
5
6
7
8
// rdb.c
int rdbSaveBackground(int req, char *filename, rdbSaveInfo *rsi, int rdbflags) {
pid_t childpid;
...
if ((childpid = redisFork(CHILD_TYPE_RDB)) == 0) {
...
}
}
- master 通过 rdb 文件,全量同步数据到 slave。
1
2
3
4
5
6
7
8
9
// rdb.c
int rdbSaveToSlavesSockets(int req, rdbSaveInfo *rsi) {
pid_t childpid;
...
if ((childpid = redisFork(CHILD_TYPE_RDB)) == 0) {
...
}
...
}
- 重写 aof 文件部分内容为 rdb 数据。
1
2
3
4
5
6
7
8
9
// aof.c
int rewriteAppendOnlyFileBackground(void) {
pid_t childpid;
...
if ((childpid = redisFork(CHILD_TYPE_AOF)) == 0) {
...
}
...
}
4. 多线程
从 Redis 调试代码中,我们可以看到,Redis 线程主要分为 3 类:
主线程:负责程序的主逻辑,当然也负责 IO。- 后台线程:延时回收耗时的系统资源。
- 网络 IO 线程:Redis 6.0 版本增加的 IO 线程,利用多核资源,实现 IO 并发。
1
2
3
4
5
6
// debug.c
void killThreads(void) {
killMainThread();
bioKillThreads();
killIOThreads();
}
4.1. 主线程
Redis 的主(单)线程负责它的核心逻辑,那为什么不采用多线程架构呢?
从下面的多线程性能测试数据可以看到:在高并发场景下,多线程 频繁 的 锁竞争 反而会拖累整体效率。

4.2. 后台线程
后台线程个数为 3 个(BIO_NUM_OPS),通过消息队列实现多线程的生产者和消费者工作方式 ——主线程生产,后台线程消费。
它主要执行三种类型操作:
- 关闭文件。例如打开了 aof 和 rdb 这种大型的持久化文件,需要关闭。
- aof 文件刷盘。aof 持久化方式,主线程定时将新增内容追加到 aof 文件,只将数据写入内核缓存,并没有将其刷入磁盘,这种阻塞耗时的脏活累活需要后台线程去做。
- 释放体量大的数据。key-value 数据结构,主线程将 key 和 value 解除关系后,如果 value 很小的话,主线程实时释放,否则需要后台线程惰性释放。
1
2
3
4
5
6
7
8
9
10
11
12
13
14
15
16
17
18
19
20
21
22
23
24
25
26
27
28
29
30
31
32
33
34
// bio.c
/* Background job opcodes */
#define BIO_CLOSE_FILE 0 /* Deferred close(2) syscall. */
#define BIO_AOF_FSYNC 1 /* Deferred AOF fsync. */
#define BIO_LAZY_FREE 2 /* Deferred objects freeing. */
#define BIO_NUM_OPS 3
void *bioProcessBackgroundJobs(void *arg) {
...
while(1) {
...
/* Process the job accordingly to its type. */
if (type == BIO_CLOSE_FILE) {
if (job->fd_args.need_fsync) {
redis_fsync(job->fd_args.fd);
}
...
close(job->fd_args.fd);
} else if (type == BIO_AOF_FSYNC) {
/* The fd may be closed by main thread and reused for another
* socket, pipe, or file. We just ignore these errno because
* aof fsync did not really fail. */
if (redis_fsync(job->fd_args.fd) == -1 &&
errno != EBADF && errno != EINVAL) {
...
}
} else if (type == BIO_LAZY_FREE) {
job->free_args.free_fn(job->free_args.free_args);
}
...
}
...
}
4.3. 网络 IO 线程
开启网络 IO 线程并发,是为了利用多核资源,提高程序整体性能,并减轻主线程的负载。
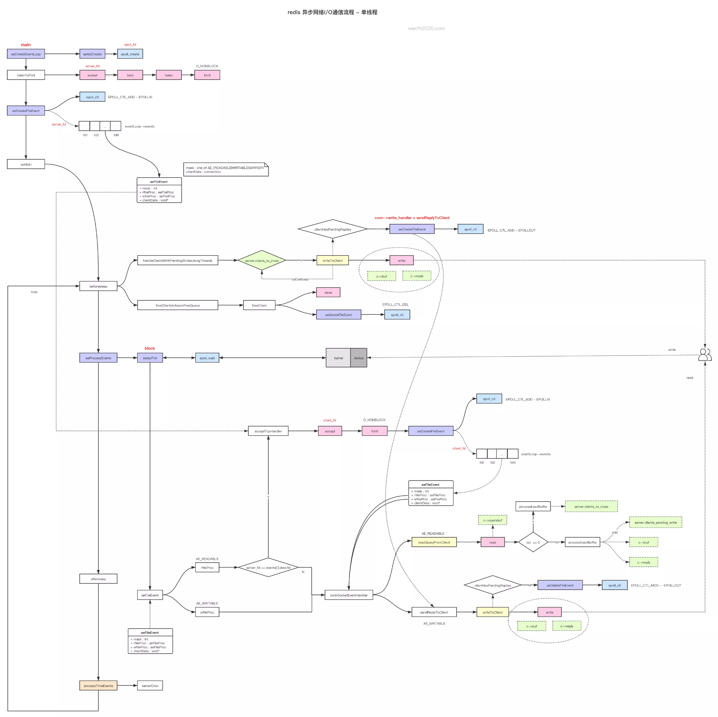
4.3.1. 主线程异步网络 IO
下图描述了 Redis 客户端与服务端主线程异步通信流程,有兴趣的朋友可以参考:《[redis 源码走读] 异步通信流程-单线程》,这里不详细展开了。

4.3.2. 多线程配置
io-threads 线程配置,redis.conf 配置文件默认是不开放的,默认只有一个线程在工作,这个线程就是 主线程。
如果开放多线程配置,io-threads 4 那么 IO 处理线程默认共有 4 个,包括主线程。也就是说,新增的 IO 线程有 3 个。
IO 线程默认不开放
读操作,因为 Redis 作为数据缓存服务,一般它读入数据量是非常小的,写出数据量却非常大。
1
2
3
4
5
6
7
# redis.conf
# 配置多线程处理线程个数,默认 4。
# io-threads 4
#
# 多线程是否处理读事件,默认关闭。
# io-threads-do-reads no
4.3.3. 实现
4.3.3.1. 配置
如果 redis.conf 文件开启 io-threads 配置项,那么从配置中读取线程个数,否则网络 IO 线程默认为 1,只有主线程。
1
2
3
4
5
6
7
8
9
// config.c
standardConfig static_configs[] = {
...
/* Single threaded by default */
createIntConfig("io-threads", NULL, \
DEBUG_CONFIG | IMMUTABLE_CONFIG, 1, 128, \
server.io_threads_num, 1, INTEGER_CONFIG, NULL, NULL),
...
}
4.3.3.2. 主逻辑
- 如果没开启多线程,那么 Redis 只会使用主线程处理网络 IO,主线程单线程处理网络 IO 是串行的。
- 为了保证主逻辑处理方式整体不变,多线程 IO 工作方式,不允许同时并发读写操作,同一时刻只允许读或只允许写。
- 如果开启了多线程,而且等待处理的 client 数量很少,新增的网络 IO 线程会被挂起,仍然使用主线程工作;否则启用多线程工作,将等待的 clients,平均分配给多个线程(主线程+新增线程)并行处理。
- 任务分配完以后,主线程将处理自己的任务,并等待新增线程都处理完任务后,才会执行下一个步骤的其它操作,这样做的目的是为了保证整体逻辑串行;不因为引入多线程处理方式改变了原来的主逻辑,尽力将多线程并行逻辑的影响减少到最小。

1
2
3
4
5
6
7
8
9
10
11
12
13
14
15
16
17
18
19
20
21
22
23
24
25
26
27
28
29
30
31
32
33
34
35
36
37
# 主线程。
|-- main
|-- aeMain
|-- aeProcessEvents
|-- beforeSleep
# 多线程读 IO(与多线程写 IO 实现方式类似)。
|-- handleClientsWithPendingReadsUsingThreads
# 多线程写 IO。
|-- handleClientsWithPendingWritesUsingThreads
# 如果配置没开启多线程,使用主线程处理。
# 如果开启了多线程,但等待传输数据的 client 数量很少,
# 挂起开启的新线程,使用主线程处理。
|-- if (server.io_threads_num == 1 || stopThreadedIOIfNeeded())
# 主线程写 IO。
|-- handleClientsWithPendingWrites
# 如果已开启多线程,并且等待处理的 clients 很多,采用多线程写 IO。
|-- if (!server.io_threads_active) startThreadedIO();
>>>>>>>>> |-- # 多线程写 IO 逻辑,
# 将等待发送数据的 clients 平均分配给 n 个线程分别处理。
# 主线程处理自己的任务。
|-- while(...) { writeToClient(c,0); }
# 事件驱动获取就绪的读写事件。
|-- aeApiPoll
|-- afterSleep
# 多线程读 IO。
|-- handleClientsWithPendingReadsUsingThreads
# 处理从事件驱动获取的读写事件。
|-- fe->rfileProc
|-- fe->wfileProc
>>>>>>>>>
# 新增 IO 线程处理函数。
|-- IOThreadMain
|-- if (io_threads_op == IO_THREADS_OP_WRITE)
|-- writeToClient(c,0);
|-- else if (io_threads_op == IO_THREADS_OP_READ)
|-- readQueryFromClient(c->conn);
4.3.4. 高性能并发
深入研究 Redis 源码会发现,它的设计哲学相当明确:能不加锁,就绝不加锁。除了后台线程会处理低频的惰性删除等操作外,核心的数据操作路径始终保持单线程执行。直到 Redis 6.0,为了突破网络 I/O 的吞吐瓶颈,才 “不得已” 引入了多线程来处理网络读写,但命令的解析、执行和返回依然牢牢握在主线程手里。
更有趣的是,即便在网络多线程的模式下,主线程有时宁愿选择 “忙等”,也不愿在核心路径上引入锁机制。
- 主线程,如果网络 IO 压力很小,会关闭多线程模式;反之,为了不让出时间片,主线程会忙等所有子线程完成任务……
1
2
3
4
5
6
7
8
9
10
11
12
13
14
15
16
17
18
19
20
21
22
23
24
25
26
static inline unsigned long getIOPendingCount(int i) {
unsigned long count = 0;
atomicGetWithSync(io_threads_pending[i].value, count);
return count;
}
int handleClientsWithPendingWritesUsingThreads(void) {
// 如果 client 很少,会关闭多线程模式,用主线程处理写操作。
if (stopThreadedIOIfNeeded()) {
// 主线程处理写操作。
return handleClientsWithPendingWrites();
}
// 开启多线程模式
if (!io_threads_active) startThreadedIO();
...
// 忙等............
/* Wait for all the other threads to end their work. */
while(1) {
unsigned long pending = 0;
for (int j = 1; j < server.io_threads_num; j++)
pending += getIOPendingCount(j);
if (pending == 0) break;
}
...
}
- IO 子线程,倒是子线程代码看起来有点奇怪,为了给时间片主线程,会出现锁。
1
2
3
4
5
6
7
8
9
10
11
12
13
14
15
16
17
void *IOThreadMain(void *myid) {
...
while(1) {
/* Wait for start */
for (int j = 0; j < 1000000; j++) {
if (getIOPendingCount(id) != 0) break;
}
/* Give the main thread a chance to stop this thread. */
if (getIOPendingCount(id) == 0) {
pthread_mutex_lock(&io_threads_mutex[id]);
pthread_mutex_unlock(&io_threads_mutex[id]);
continue;
}
...
}
}
5. 优化
5.1. 线程个数
默认开启多线程 IO 方式:
线程个数:主线程 + 3 个后台线程 + 3 个 IO 线程 = 7 个线程。
进程个数:主进程 + 1 个子进程 = 2 进程。
当然可以根据实际需要设置 IO 线程个数。
默认 开启多线程 IO 后,经过统计线程共有 7 个,子进程有 1 个。理论上 CPU 的核心最少得 8 个, Redis 跑起来才能发挥最佳性能。
要避免 CPU 核心太少,或者线程太多,导致线程调度频繁切换,性能开销增加,每个线程获得的时间片减少!
5.2. 压测
开启默认 IO 多线程,经过压测(参考下图),有 4 个 IO 线程正在运行(R),符合预期。
上面线程个数统计,Redis 应该有 7 个线程在运行,压测发现 Redis 启动了 9 个线程?!原来 Redis 默认使用自带的第三方内存库:jemalloc,它也创建了 2 线程。
所以 CPU 的核心多配几个是没错的。
- 压测数据。

- 线程调试。

5.3. 处理器亲和性
Redis 6.0 引入 IO 多线程后,增加了处理器亲和性的设置功能。
进程/线程绑定指定的处理器(亲和性)优点:
- 提高 CPU 高速缓存命中率。
- 保证 CPU 高速缓存数据一致性。
经过某大佬压测,发现开启 CPU 亲缘性设置,Redis QPS 可以提升 15%(参考:Redis 如何绑定 CPU)。
- 配置。
1
2
3
4
5
6
7
8
9
10
11
# Set redis server/io threads to cpu affinity 0,2,4,6:
# server_cpulist 0-7:2
#
# Set bio threads to cpu affinity 1,3:
# bio_cpulist 1,3
#
# Set aof rewrite child process to cpu affinity 8,9,10,11:
# aof_rewrite_cpulist 8-11
#
# Set bgsave child process to cpu affinity 1,10,11
# bgsave_cpulist 1,10-11
- CPU 亲和性设置代码。
1
2
3
4
5
6
7
8
9
10
11
12
13
14
15
16
17
18
19
20
21
// setcpuaffinity.c
void setcpuaffinity(const char *cpulist) {
...
#ifdef __linux__
cpu_set_t cpuset;
#endif
...
#ifdef __linux__
sched_setaffinity(0, sizeof(cpuset), &cpuset);
#endif
...
}
// server.c
void redisSetCpuAffinity(const char *cpulist) {
#ifdef USE_SETCPUAFFINITY
setcpuaffinity(cpulist);
#else
UNUSED(cpulist);
#endif
}
- 亲和性应用场景。
1
2
3
4
5
6
7
8
9
10
11
12
13
14
15
// 主线程。
int main(int argc, char **argv) { ... }
// IO 线程。
void *IOThreadMain(void *myid) { ... }
// 后台线程。
void *bioProcessBackgroundJobs(void *arg) { ... }
// 子进程。
int rdbSaveBackground(
int req, char *filename,
rdbSaveInfo *rsi, int rdbflags) { ... }
int rewriteAppendOnlyFileBackground(void) { ... }
int rdbSaveToSlavesSockets(int req, rdbSaveInfo *rsi) { ... }